Pamje që hutuan arkeologët: Pse ky njeri u varros me kokën poshtë?! (Foto)

Rreth tri vite më parë, gjegjësisht në vitin 2013, hulumtuesit zviceranë kishin zbuluar një varrezë antike në një fshat të Zvicrës, varrezë e cila pretendohet se daton që nga mesjeta e hershme.
Siç shkruajnë mediat e huaja përcjell Telegrafi, në këtë varrezë gjendeshin 342 trupa të hedhur “për të pushuar” në mes të shekujve 8-të dhe 17-të.
Por kjo nuk është e gjitha. Sipas medieve të huaja, aty arkeologët kanë bërë një zbulim të çuditshëm, kanë gjetur një skelet të shtrirë me kokë poshtë në varrin e tij.
Thuhet se studiuesit kanë përcaktuar se njeriu mund të ketë qenë një tregtar shëtitës i varrosur me nxitim pas vdekjes nga sëmundjet apo edhe ndoshta është vrarë.
Varreza u zbulua në rajonin Bernese Lakeland gjatë ndërtimit të një garazhi të ri nëntokësor pranë një varreze në fshatin Schüpfen.
Hulumtuesit thonë se skeleti me fytyrë poshtë ishte në mesin e 15 trupave të fundit nga 342 të varrosurit në atë vend, transmeton Telegrafi.
Sipas Christian Weiss, një ekspert numizmatike me Shërbimet arkeologjike të Kantonit të Bernës, ky lloj i varrimit është "mjaft i pazakontë".
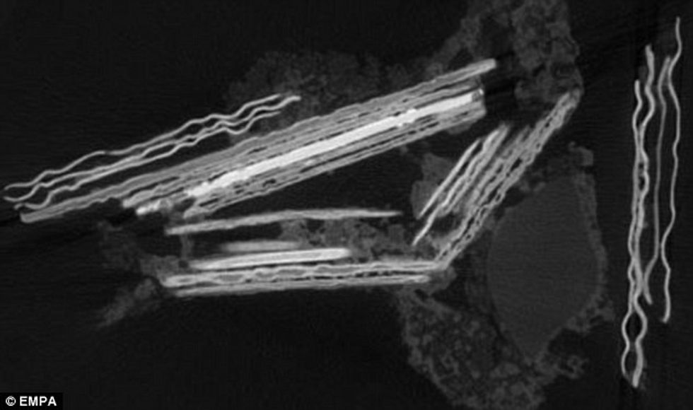
Krahas trupit, studiuesit zbuluan gjithashtu një thikë dhe mbetjet e një çante, që përmban disa monedha, të cilat janë bashkuar në një “metal” të përbashkët, me kalimin e viteve.
Pasi këto monedha kanë qenë vështirë për tu ndarë dhe mos tu dëmtuar, ekipi kanë përdorur një instrument të ri të njohur si μDETECT - për të bërë matjet e sakta të artefakteve. /Telegrafi/


























































